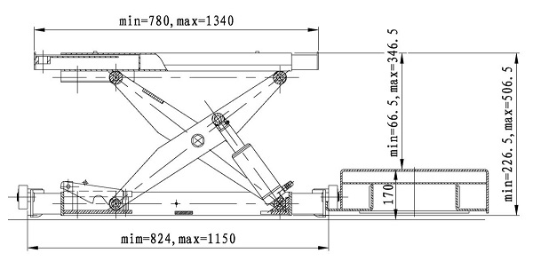
Домкрат канавный гидравлический (траверса) TT-2 г/п 2 тонны предназначен для вывешивания осей автомобиля при регулировке углов установки колес и слесарных работах. Используется на четырехстоечном подъемнике или яме. Высота в поднятом положении 506.5 мм. Высота в опущенном положении 372 мм. Колея траверсы 824-1155 мм, Подхваты автомобиля (ширина базы) от 780 до 1340 мм.
| Страна производства | Китай |
| Бренд | ТЕМП (Китай) |
| Синхронизация | нижняя |
| Тип подъемника | передвижной |
| Выс.подъем.для подъемников | 506 |
| Мин.подх.для подъемников | 372 |
| Грузоподъемность подъемника | 2000 |
| Вид подъемника | легковой |
| Тип привода подъемника | гидравлический |
| Цвет | синий |
| Разблокировка подъемника | ручная на колонне |
Характеристики
Подъемник канавный ручной (траверса) г/п 2 т, ES2.2R Ручной привод. Грузоподъемность 2000 кг. На канаву (яму) или четырехстоечный подъемник. Подходит для ямы шириной 850-1230 мм. Ширина платформ регулируется 840-1500 мм. Высота подъема с проставками 530 мм. Минимальная высота 210 мм. Максимальная высота подъема 410 мм. ...
| Страна производства | Китай |
| Синхронизация | нижняя |
| Тип подъемника | передвижной |
| Грузоподъемность подъемника | 2000 |
| Вид подъемника | легковой |
| Тип привода подъемника | гидравлический |
| Цвет | синий |
| Разблокировка подъемника | ручная на колонне |
Характеристики
Домкрат канавный пневмогидравлическая TTP-2 грузоподъемность 2 тонны, предназначен для вывешивания осей автомобиля при регулировке углов установки колес и слесарных работах. Используется на четырехстоечном подъемнике или яме. Высота в поднятом положении 506.5 мм. Высота в опущенном положении 372 мм. Колея траверсы 824-1150 мм, подхваты автомобиля (ширина базы) от 780 до 1340 мм.
| Страна производства | Китай |
| Бренд | ТЕМП (Китай) |
| Синхронизация | нижняя |
| Тип подъемника | передвижной |
| Наличие товара | да |
| Выс.подъем.для подъемников | 560 |
| Мин.подх.для подъемников | 266 |
| Грузоподъемность подъемника | 2500 |
| Вид подъемника | легковой |
| Тип привода подъемника | пневмогидравлический |
| Цвет | синий |
| Разблокировка подъемника | ручная на колонне |
Характеристики
Траверса NORDBERG N423 (B/G) грузоподъемность 2 тонны предназначена для подъема передней или задней части автомобиля, расположенного на яме, на четырехстоечном и ножничном подъемнике. В комплект входят 2 проставки (40 мм) Колея траверсы (регулируется) 790-1040 мм Диапазон длины платформы (регулируется) 780-1600 мм. Высота подъема 215-485 мм. ...
| Страна производства | КНР |
| Бренд | Nordberg (Китай) |
| Тип привода | Гидравлический |
Характеристики
Траверса пневмогидравлическая, г/п 2 тонны NORDBERG N423A для подъема передней или задней части автомобиля, расположенного на яме, на четырехстоечном и ножничном подъемнике. Конструкция траверсы предусматривает механическую защиту от перегрузок. В комплект входят 2 винтовые насадки. Высота подъема 215-485 мм, Колея траверсы (регулируется) 790-1040 мм. Диапазон длины платформы (регулируется) 780-1600 мм. ...
| Страна производства | Китай |
| Бренд | Nordberg (Китай) |
| Тип привода | Пневмогидравлический |
Характеристики
Траверса пневмогидравлическая ТР-532 грузоподъемностью 3.6 тонны. Предназначен для вывешивания осей автомобиля при регулировке углов установки колес и слесарных работах. Используется на четырехстоечном подъемнике или яме. Высота подъема 550 мм. В комплекте проставки для удобной регулировки высоты (50, 75, 150 мм) Регулируемые подхваты автомобиля 862-1674 мм.
| Страна производства | Россия |
| Бренд | SIVIK (Россия) |
Характеристики
Траверса NORDBERG N433 (B/G) (синий/серый) для подъема передней или задней части автомобиля, расположенного на яме, на четырехстоечном и ножничном подъемнике. Грузоподъемность 3000 кг. Высота платформы 75 мм. Высота от ролика до насадки 130 мм. Ширина платформы 385 мм. Высота подъема 215-485 мм. Диапазон длины платформы (регулируется) 780-1600 мм. Колея траверсы (регулируется) 790-1040 мм. ...
| Страна производства | КНР |
| Бренд | Nordberg (Китай) |
Характеристики
Траверса пневмогидравлическая 3.2 т для подъемника 4465B, синяя N433BA Траверса пневмогидравлическая NORDBERG N433BA для подъема передней или задней части автомобиля для подъемника 4465B Резьбовая насадка с максимальным размером 55 мм + 2 удлинителя по 100 мм. Минимальная высота подъема 24,5 см. Максимальная высота подъема 73,5 см. Высота от ролика до насадки 73,5 см. Минимальная колея траверсы, см 98,5 см. Максимальная колея траверсы 120 см. ...
| Страна производства | КНР |
| Бренд | Nordberg (Китай) |
Характеристики
Траверса пневмогидравлическая NORDBERG N433GA для подъема передней или задней части автомобиля, расположенного на яме. Грузоподъемность: 3 тонны Минимальная высота подъема: 252 мм Максимальная высота подъема: 522 мм Регулируемый диапазон длины платформы: 760-1500 мм Колея траверсы: 900-1318 мм Встроенная защита от перегрузок, при помощи которой обеспечивается плавный подъем и спуск без рывков. ...
| Страна производства | КНР |
| Бренд | Nordberg (Китай) |
Характеристики
Траверса NORDBERG N433A для подъема передней или задней части автомобиля, расположенного на яме, на четырехстоечном и ножничном подъемнике. Грузоподъемность 3000 кг. Высота платформы 75 мм. Высота от ролика до насадки 130 мм. Ширина платформы 385 мм. Высота подъема 215-485 мм. Диапазон длины платформы (регулируется) 780-1600 мм. Колея траверсы (регулируется) 790-1040 мм. ...
| Страна производства | КНР |
| Бренд | Nordberg (Китай) |
Характеристики
Траверса пневмогидравлическая г/п 4т. (старый артикул N433E) NORDBERG N443GA для подъема передней или задней части автомобиля, расположенного на яме. Траверса подходит для разных автомобилей. Конструкция траверсы предусматривает механическую защиту от перегрузок. В комплект входят 2 прямоугольные насадки, проставки для рамных авто - 2 шт. Ширина платформы 460 мм Грузоподъемность 4000 кг. Высота подъема 261-511 мм. Диапазон длины платформы (регулируется) 780-1515 мм. Колея траверсы (регулируется) 870-1290 мм. ...
| Страна производства | КНР |
| Бренд | Nordberg (Китай) |
Характеристики
Подъёмник навесной (траверса) ПНП-3 грузоподъемность 3 тонны для подъёма передней или задней оси автомобиля для сход развала или слесарных работ. Перемещение вручную. Многоуровневая система безопасности. Регулируемые опоры позволяют производить подъём автомобилей с различной конфигурацией днища или рамы. Предназначен для установки на подъемниках ПЛ-4, ПГ-4 Высота подъема, м 0,44 Высота подхватов над уровнем платформы (min), м 0,06 Габаритные размеры не более (длина×ширина×высота), мм 640×1070×300
| Страна производства | Россия |
| Бренд | АСО Псков (Россия) |
| Тип привода | Ручной |
Характеристики
Подъемник канавный ПНК-1 навесной г/п 3 т, Габариты канавы (ширина×глубина), мм 930×1200 Привод гидравлический ручной, ручное передвижение. Предназначен для подъёма передней или задней оси автомобиля на смотровой канаве. Устанавливается на осмотровую яму, вид привода гидравлический, способ перемещения - вручную. Грузоподъемность 3000 кг, рабочий ход механизма подъёма 390 мм, минимальная высота подъёма упоров над уровнем пола 110 мм, ширина канавы 930 мм (стандартное исполнение).
| Страна производства | Россия |
| Бренд | АСО Псков (Россия) |
| Масса | 140 |
| Выс.подъем.для подъемников | 390 |
| Мин.подх.для подъемников | 110 |
| Грузоподъемность подъемника | 3000 |
| Вид подъемника | канавный передвижной |
| Тип привода подъемника | гидравлический |
| Цвет | синий |
Характеристики
Подъёмник канавный П114Е-10 передвижной, привод - ручной (гидравлический), грузоподъёмность 10 тонн. Предназначен для вывешивания над смотровой канавой или подъемником передних или задних мостов автомобилей, автобусов, тракторов, строительных и сельскохозяйственных машин. Способ передвижения - ручной; тележка с гидроцилиндром и насосом имеет возможность перемещения вдоль и поперек канавы. Изготавливается по вашим размерам. Подробнее ...
| Страна производства | Россия |
| Бренд | АвтоТЕХснаб (Россия) |
| Тип привода | Ручной |
Характеристики
Подъемник канавный ПНК-1-01 навесной г/п 3 тонны, привод гидравлический ручной, ручное передвижение. Возможно регулирование опор подъёмника на ширину канавы от 930 до 1200 мм. Возможность установки подъемника на обычную смотровую яму с минимальными строительно-монтажными работами. Перемещение подъемников вручную, усилие перемещения не превышает 15 кг. Подхват-подъем 110-390 мм. Габариты канавы (ширина×глубина) 930-1200×1200 мм.
| Страна производства | Россия |
| Бренд | АСО Псков (Россия) |
| Масса | 150 |
| Тип подъемника | передвижной |
| Выс.подъем.для подъемников | 390 |
| Мин.подх.для подъемников | 110 |
| Грузоподъемность подъемника | 3000 |
| Вид подъемника | канавный передвижной |
| Тип привода подъемника | гидравлический |
| Цвет | синий |
Характеристики
Подъёмник напольный передвижной грузоподъёмность 10 тонн П114Е-10-2 привод - ручной (гидравлический) Высота подъема 750 мм. Компактное основание подъемника (750х900 мм) обеспечивает широкую область применения и не требует дополнительных затрат на устройство направляющих по краям и полу смотровой канавы для передвижения подъемника. Высота может быть выставлена пошагово в 1180/1380/1592 мм. Изготавливается по вашим размерам. Подробнее ...
| Страна производства | Россия |
| Бренд | АвтоТЕХснаб (Россия) |
| Тип привода | Ручной |
Характеристики
Подъёмник канавный передвижной с интегрированной системой поддержки П114Е-10-1 привод - ручной (гидравлический), грузоподъёмность 10 тонн. Предназначен для вывешивания над смотровой канавой или подъемником передних или задних мостов автомобилей, автобусов, тракторов, строительных и сельскохозяйственных машин. Способ передвижения - ручной; тележка с гидроцилиндром и насосом имеет возможность перемещения вдоль и поперек канавы. Изготавливается по вашим размерам канавы. Подробнее ...
| Страна производства | Россия |
| Бренд | АвтоТЕХснаб (Россия) |
| Тип привода | Ручной |
Характеристики
Подъемник канавный навесной г/п 10 тонн ПНК-10 привод пневмогидравлический (работает от сжатого воздуха), ширина канавы 1100 мм. (по отдельному заказу и согласованному техническому заданию может быть изготовлен для установки на канаву шириной 700-1200 мм*). Подхват/подъем 140-470 мм. Предназначен для подъёма передней или задней оси автомобиля обслуживаемого на осмотровой канаве. Гарантия 24 месяца.
| Страна производства | Россия |
| Бренд | АСО Псков (Россия) |
| Масса | 226 |
| Выс.подъем.для подъемников | 470 |
| Мин.подх.для подъемников | 140 |
| Грузоподъемность подъемника | 10000 |
| Вид подъемника | канавный передвижной |
| Тип привода подъемника | пневмогидравлический |
| Цвет | синий |
Характеристики
Подъёмник напольный передвижной грузоподъёмность 16 тонн П-114Е-16-2 привод - ручной (гидравлический) Высота подъема 750 мм. Компактное основание подъемника (750х900 мм) обеспечивает широкую область применения и не требует дополнительных затрат на устройство направляющих по краям и полу смотровой канавы для передвижения подъемника. Высота может быть выставлена пошагово в 1180/1380/1592 мм. Изготавливается по вашим размерам. Подробнее ...
| Страна производства | Россия |
| Бренд | АвтоТЕХснаб (Россия) |
| Тип привода | Ручной |
Характеристики
Подъёмник канавный передвижной с интегрированной системой поддержки П114Е-16-1 привод - ручной (гидравлический), грузоподъёмность 16т. для вывешивания над смотровой канавой или подъемником передних или задних мостов автомобилей, автобусов, тракторов, строительных и сельскохозяйственных машин. Способ передвижения - ручной; тележка с гидроцилиндром и насосом имеет возможность перемещения вдоль и поперек канавы. Изготавливается по вашим размерам. Подробнее ...
| Страна производства | Россия |
| Бренд | АвтоТЕХснаб (Россия) |
| Тип привода | Ручной |
Характеристики
Показать еще
Траверса для подъема автомобиля по сути - это домкрат для подъема автомобиля . В основном траверсу используют на яме, четырехстоечном или ножничном подъемнике при проведении слесарных работ, а также она просто необходима когда выполняется операция развал схождения колес.
Траверса перемещается между платформами подъемника или по яме за счет колес. Самыми распространенными оказалась траверса на 2т для поднятия автомобиля, реже встречаются на 3т. Траверса бывают с ручным приводом или пневмоприводом.
Чтобы заказать траверса для подъема автомобилей от компании ГАРО по самым выгодным ценам, звоните нам по телефону +7(495) 258 81 22, 8 (800) 100-97-45 или воспользуйтесь формой обратной связи на нашем сайте.

